Urmărește-ne pe
|

spuma poliuretanica IZOLAȚII CU SPUMĂ POLIURETANICĂ Soluții Profesionale Pentru Izolarea Construcțiilor Rezidențiale și Industriale

IZOLAȚII CU SPUMĂ POLIURETANICĂ Soluții Profesionale Pentru Izolarea Construcțiilor Rezidențiale și Industriale

SERVICII

servicii
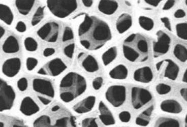
celula deschisa

Termoizolații Celulă Deschisă

Termoizolații Celulă Închisă

hidroizolatii

Hidroizolații Cu Poliurea

DESPRE NOI

SOLUȚII PROFESIONALE DE IZOLAȚII

Suntem o echipă de oameni tineri si entuziaști cu experientă și calificare în ceea ce facem. Prin consultanță și produsele pe care le recomandăm asigurăm clienților noștri cele mai bune soluții pentru izolarea construcțiilor.

Oricine dorește să își construiască o casă va fi întodeauna foarte preocupat de caracteristicile termosistemului pe care îl va utiliza pentru izolarea casei. Aceasta este o preocupare absolut corectă, deoarece izolarea termică proiectată și realizată corespunzator aduce simultan multiple avantaje.

Trebuie reținut faptul că o izolare termică incorectă este capabilă să producă daune grave atât  clădirii, cât și bugetului proprietarului care va plăti excesiv pentru încălzire.

SPUMĂ POLIURETANICĂ

Cea mai promițătoare termoizolație modernă este spuma poliuretanică, care prin caracteristicile izolante excepționale (cele mai bune) , prin faptul că își păstrează foarte bine proprietățile în timp, aplicarea continuă fără îmbinări și fără punți termice, aderență foarte bună la orice substrat, timp de execuție scurt, raport calitate/preț foarte bun etc., fac ca această termoizolație să fie greu de egalat.
Poliuretan
spuma poliuretanica
spuma poliuretanica
spuma poliuretanica
spuma poliuretanica

PROIECTE

proiecte

BENEFICII SPUMĂ POLIURETANICĂ

beneficii
spuma poliuretanica

Reduce costurile de încălzire

Reduce în mod semnificativ pierderile de căldură ale clădirii, ceea ce face posibilă utilizarea mai eficientă a surselor de incălzire cu costuri minime de energie.
spuma poliuretanica

Util și pe timpul verii

Izolația termică va fi eficienta în zilele calde de vară, casa nu se va supraîncălzi, iar acolo unde este cazul, unitățile de aer condiționat nu vor funcționa foarte intens.
spuma poliuretanica

Protecție pe termen lung

O izolație bună reduce influențele externe distructive asupra materialelor de construcție a pereților, fundațiilor si structurilor de rezistență.

Fi prietenos cu mediul

Cu atăt mai important și mai actual astăzi cănd toată lumea conștientizează că sursele de încalzire a spațiului locativ degaja în atmosferă o cantitate de dioxid de carbon foarte importantă și că reducerea impactului acestui sector asupra încalzirii globale ar fi de dorit, mai ales ca soluțiile tehnice în acest domeniu există și sunt la indemăna oricui.
Call Now Button